HKS INNER SILENCER For MULTIPLE FITTING 3306-RA074

¥3,510 JPY ¥3,672 JPY

| /

Brand
HKS
Product Number
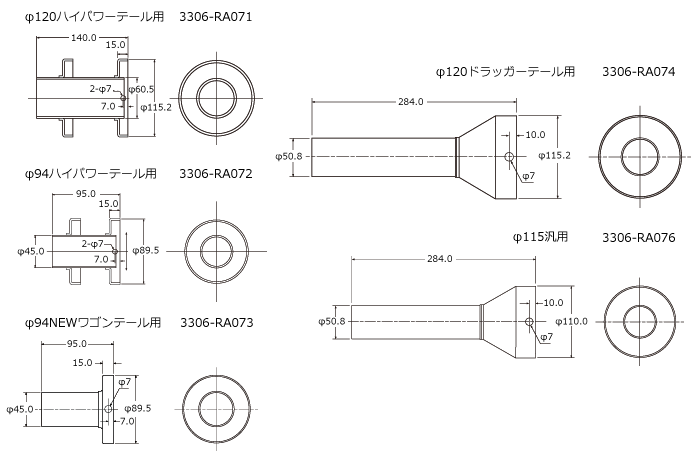
3306-RA074
Compatible Car
MULTIPLE FITTING
Product Description
Size(mm): Φ120 Drager Tip
Remarks
SUS304. Black painted.
Notes
Images are for illustration purpose only. Actual product may vary.