HKS INNER SILENCER For MULTIPLE FITTING 3306-RA076

¥3,510 JPY ¥3,672 JPY

| /

Brand
HKS
Product Number
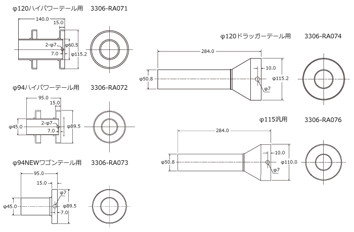
3306-RA076
Compatible Car
MULTIPLE FITTING
Product Description
Size(mm): Φ115 UNIVERSAL
Remarks
SUS304. Black painted. M6 bolts and Nuts are included.
Notes
Images are for illustration purpose only. Actual product may vary.